Novi artikli
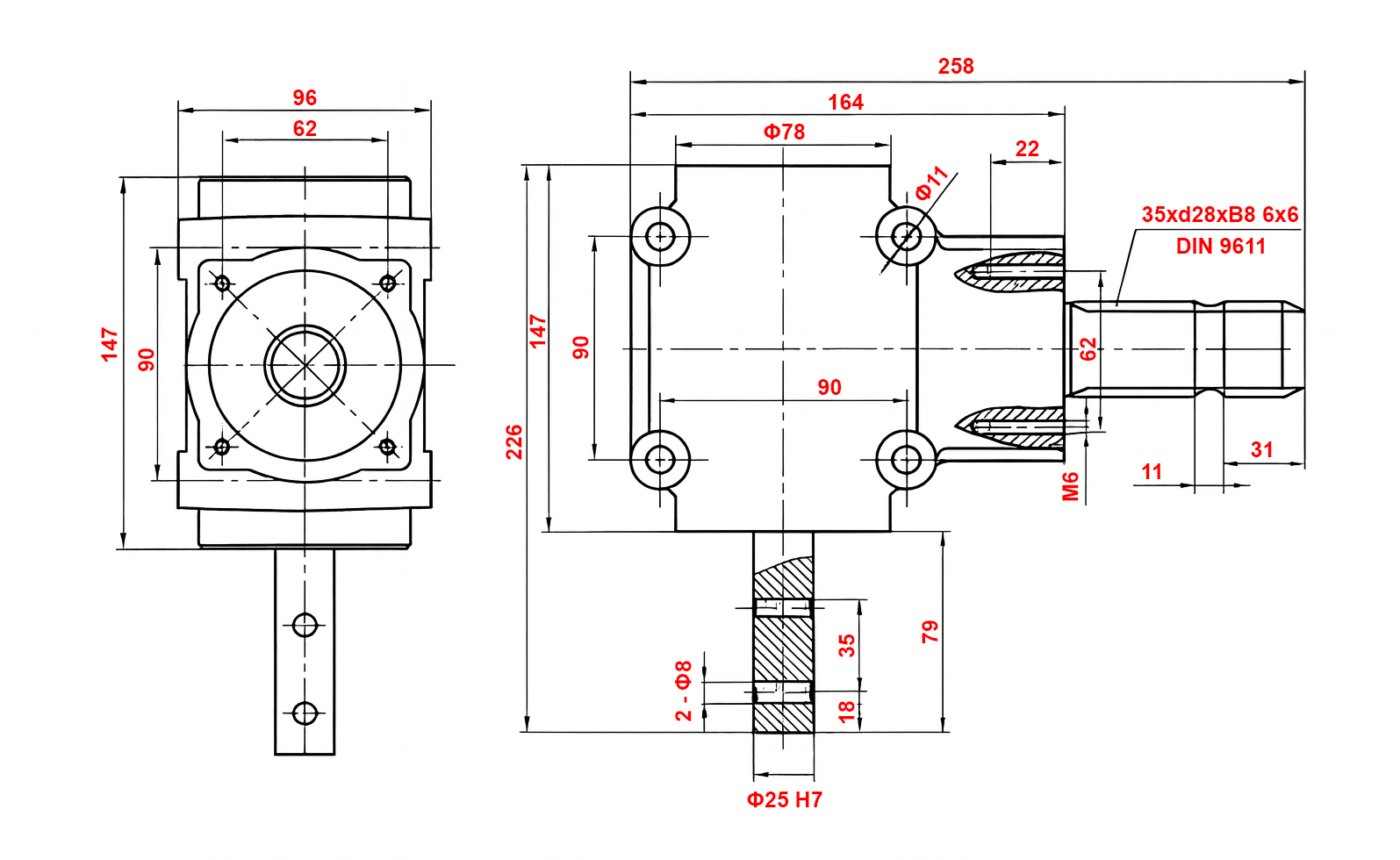
KOTNI REDUKTOR L-155J 1: 1,14 (16HP-12kW)
Šifra:
13197
OEM:
9990000091287
Stopnja davka
22 %
Cena brez DDV:
113,93 EUR
Cena z DDV:
139,00 EUR
Ref:
-1

Informativen izračun ob nakupu na obroke
polog0,00 EUR
3 × 46,33 EUR
polog0,00 EUR
6 × 25,61 EUR
polog0,00 EUR
12 × 13,06 EUR
Opis:
Kotni reduktorji so zasnovani za učinkov prenos moči med pravokotno postavljenima gredema. Zaradi kompaktne zasnove in robustne konstrukcije so primerni za uporabo v kmetijski, industrijski in transportni mehanizaciji, kjer je prostor omejen ali je potreben natančen prenos navora. Zobniki so precizno obdelani in mazani z oljem, kar omogoča tiho in zanesljivo delovanje tudi pri visokih obremenitvah.

Dobaviteljeva koda:
C03.01.00.00
Dobavitelj:
Poljska
Vračilo ali menjava:
14 dni
rotacija reduktorja:
desna
Ohišje:
Lito železo
Teža izdelka:
8,5 kg
Vhodni vrtljaji:
540 rpm
Izhodni vrtljaji:
616 rpm
Garancija:
6 mesecev
Obremenitev:
16 HP (12 kW)
izhodna osovina:
gred - 25 mm
Razmerje prenosa:
1:1,14
tip reduktorja:
L-155J (kotni prenos)
mazalno sredstvo:
olje SAE 90 (0,25 L)
vhodna osovina:
kardanska osovina (1" 3/8 - 6 zob)


.jpg)
.jpg)
.jpg)
.jpg)


