Nye produkter
DRIVE FOR HYDRAULIC PUMP - ISUZU MOY CR VACUUM
Produktkode:
12891
OEM:
9990000081240
Moms sats
22 %
Pris uden moms:
1.868,00 DKK
Pris med moms:
2.278,96 DKK
Ref:
1
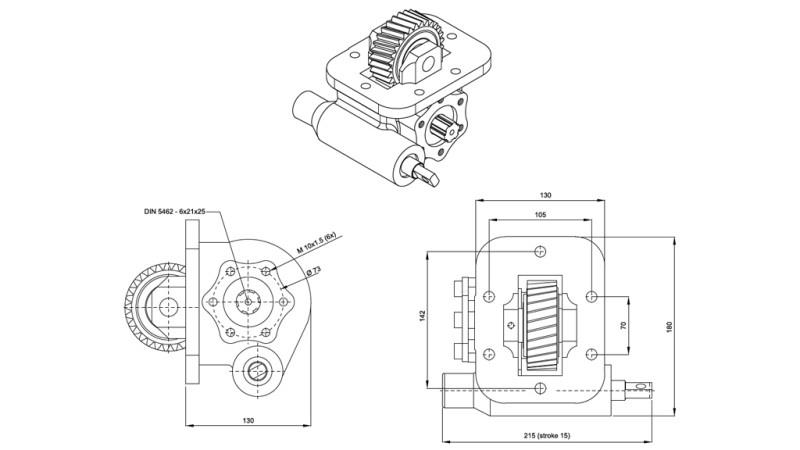
Beskrivelse:
Drev er velegnede til erhvervskøretøjer, hvor installation af en hydraulisk pumpe er nødvendig. Installation af en støbejernspumpe type er mulig:
ISO (pumpe til montering med tre (3) skruer)
UNI (pumpe til montering med fire (4) skruer)
Kompatibel med gearkasser type:
MOY-9F / MOY-9H / MOYCR
Velegnet til køretøjer: Isuzu
4.3 NP 66-71-75-77 ISUZU CHAMPION (2005-2006) / NKR 250 / NKR 66 E2L
Leverandør:
Tyrkiet
Type:
ISO (3 skruer)
Returnering eller ombytning:
14 dage
moment:
225 Nm
kontrol:
vakuum
Omdrejninger:
1000 rpm
Produktvægt:
13 kg
Garanti:
6 måneder
montering:
venstre
Load:
14.2 Hp (10.6 kW)
transmissionsforhold:
1:1,03






