Nye produkter
MULTIPLIKATOR GR.3 - 1:3 - HAN-KOBLING (INDGANG) / HAN-KOBLING (UDGANG)
| Teknisk information | |
| Leverandør: | Kina |
| Returnering eller ombytning: | 14 dage |
| Garanti: | 6 måneder |
| Gearsforhold: | 1:3 |
| Til hydrauliske pumper: | GR. 3 |
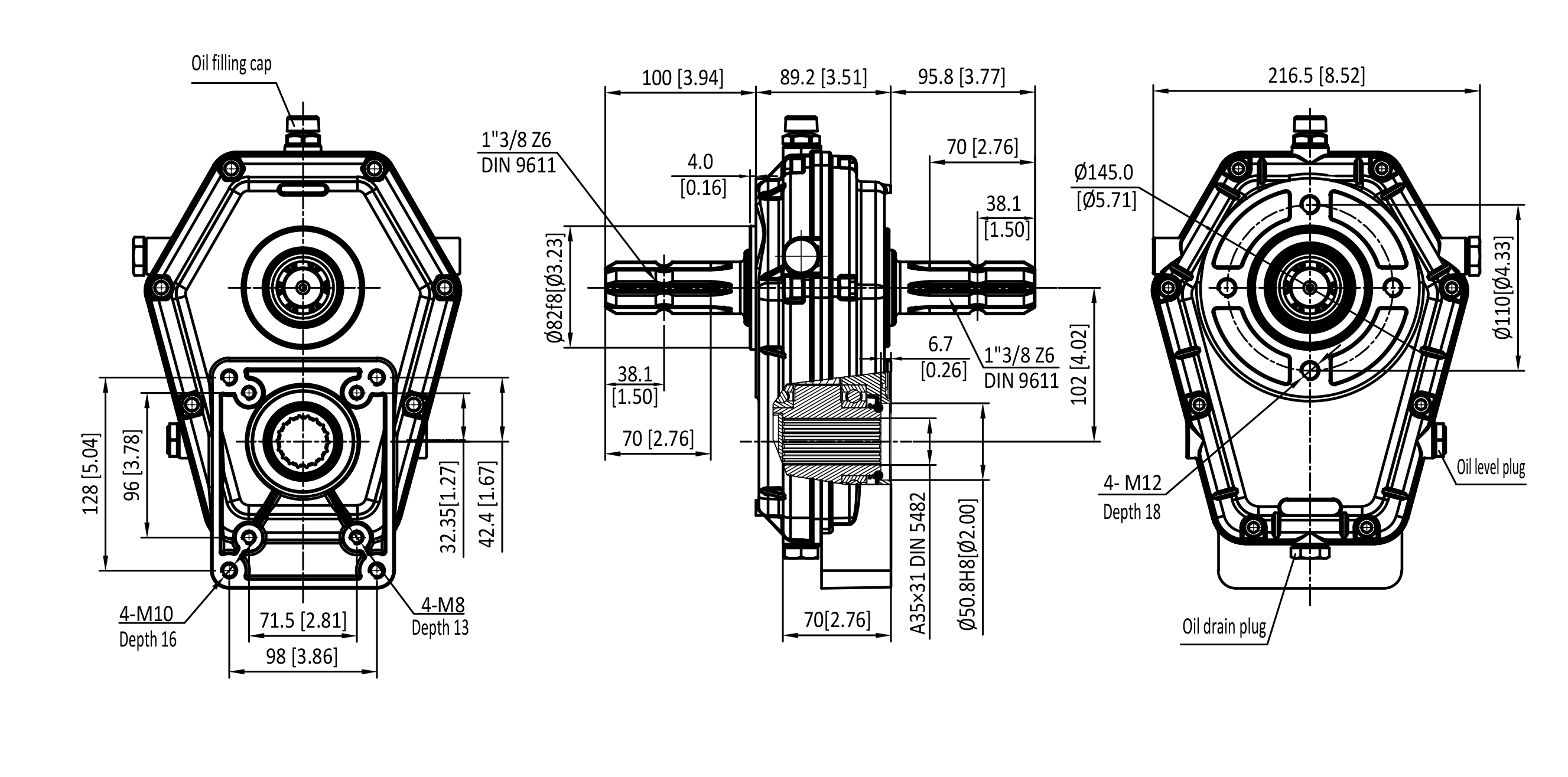
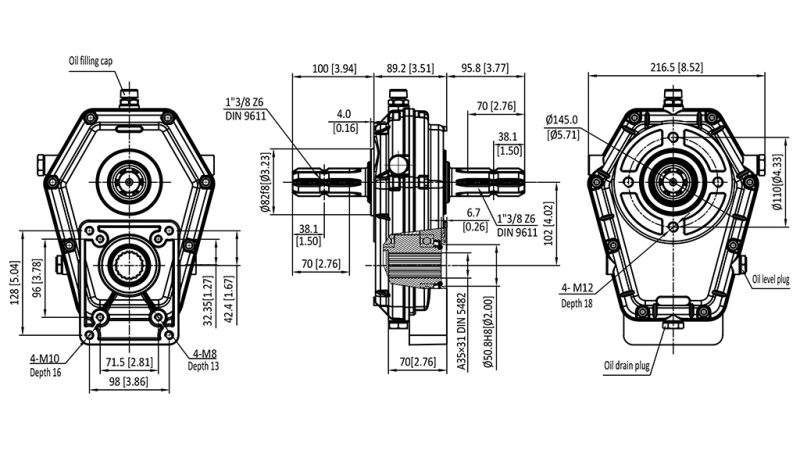
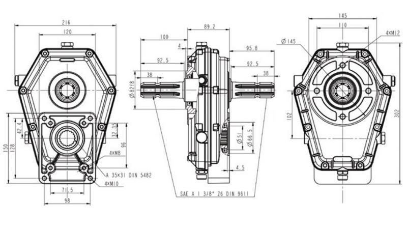
| Forbindelse: | PTO aksel på begge sider - 1" 3/8 – 6 riller (han) |
| Indgangshastighed: | 540 omdr./min |
| Indgangsmoment: | 49 daNm |
| Udgangshastighed: | 1620 omdr./min (max. 3000 omdr./min) |
| Udgangsmoment: | 16 daNm |
| Belastning: | op til 20 kW |
| Produktvægt: | 8,3 kg |
| Gearsmøremiddel: | SAE 90 olie |
MÅL

BRUGSANVISNING
1. Anvendelsesformål
Gearkassen er en mekanisk transmission, der øger rotationshastigheden på udgangsakselen og muliggør drift af en hydraulisk tandhjulspumpe via traktorens PTO-akse.
Den bruges til at drive:
- hydrauliske kraftenheder,
- skovningsvinscher,
- trækløvere,
- andet hydraulisk udstyr.
2. Installationsposition
Gearkassen skal installeres i korrekt driftsposition for at sikre korrekt smøring af gearene. En horisontal installation anbefales, så pumpen og gearkassen bør være justeret horisontalt.
Vigtigt:
- gearkassen skal altid installeres, så olien inde i huset er i kontakt med geartransmissionen,
- langvarig drift i en omvendt position er ikke tilladt,
- gearkassen skal mekanisk understøttes (den må ikke kun hænge i PTO-akslen).
3. Rotationsretning
Før installation, kontroller rotationsretningen på PTO-akslen og den krævede rotationsretning på den hydrauliske pumpe.
Forkert rotationsretning kan forårsage pumpeskade, tætningsfejl og dårlig oliemængde.
4. Oliemadning
Gearkassen skal løbende smøres med olie inde i huset for at sikre korrekt drift af gearene. Det anbefalede smøremiddel er gearolie SAE 90.
Gearkassen skal fyldes med olie op til kontrolniveauet.
Fjern påfyldningsproppen før første brug, fyld enheden med olie op til niveau-markeringen og luk proppen igen.
Kontroller olie niveauet før hver brug. Det anbefales at skifte olie første gang efter 50 driftstimer og derefter hver 1500 driftstimer eller én gang om året.
5. Driftstemperatur
Gearkassens hus normale driftstemperatur er mellem 50 og 80°C. Hvis det overstiger 90°C, kontroller olieniveau, belastning og justering.
6. Vedligeholdelse og mulige problemer
| Problem | Mulig årsag | Løsning |
| Overophedning | Utilstrækkeligt oliestand | Kontroller oliestand |
| Støj | Slidte lejer | Servicering |
| Vibrationer | Forkert justering | Kontroller installation |
| Olieudslip | Skadet tætningsringe | Udskift tætningsring |









