Nye produkter
MANUEL HYDRAULISK VENTIL MONOBLOK 1xZ80 + ENKELTVIRKENDE C1
Generel beskrivelse:
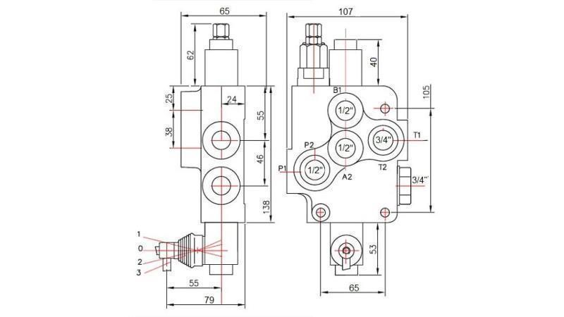
Manuel eller mekanisk hydraulikventil Р80 er designet til distribution og kontrol af arbejdstrømmen mellem hydraulikpumpen og forbrugerne (cylindre, hydraulikmotorer…).
Hydraulikventiler bruges til forskellige formål i landbrug, industri, byggeri osv. til at kontrollere:
- enkeltvirkende cylindre
- dobbeltvirkende cylindre
- hydraulikmotorer
- flydende funktioner (til plov)
- joysticks (op-ned, venstre-højre)
De er samlet i en blok fra 1 til 6 spaker.
Drift:
Alle hydraulikventiler er udstyret med en sikkerhedsventil. I neutralpositionen (spaken i midten) cirkulerer olien gennem ventilen. Når spaken flyttes til den ene eller den anden side, får hydraulikventilen cylinderen til at bevæge sig eller hydraulikmotoren til at rotere i den ene eller den anden retning. Efter at have sluppet spaken, vender den automatisk tilbage til neutralpositionen, hydraulikmotoren eller cylinderen stopper i den nuværende position, og olien cirkulerer igen gennem ventilen. Det er muligt at bruge et såkaldt 'lukket center' element, som ændrer ventilen, så olien ikke cirkulerer gennem ventilen i neutralpositionen, eller en sådan ventil ikke længere er flydende. Ved brug eller tilslutning af andre ventiler er det nødvendigt at bruge 'carry over' elementet, som tillader olieforsyning til andre ventiler.
For ventiler med spindler til flydende funktion tillader det cylinderen fri strøm af olie, hvilket konsekvent betyder, at cylinderen bevæger sig frit (eller sneploven tilpasser sig terrænet).
Ventiler med spindler til enkeltvirkende cylindre er beregnet til enkeltvirkende cylindre.
Konstruktion:
Р80 er en monoblock distributionsventil. Den er lavet af støbejern EN-GJL300. Spindlerne er lavet af kulstofstål og er hård krombelagt.
Forbindelser:
Spindlen er skruet med to M8 skruer.







