Nye produkter
HYDRAULIKVENTIL P81 AUTOMATISK TIL TRÆDIVERSE
| Teknisk information | |
| Leverandør: | Bulgarien |
| Returnering eller ombytning: | 14 dage |
| Garanti: | 6 måneder |
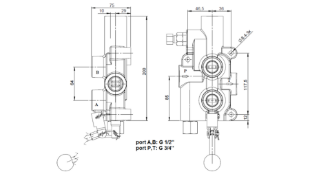
| Nominal olieflow: | 80 l/min |
| Spindel slaglængde: | ± 7,9 mm |
| Driftstemperaturområde: | fra −40 °C til +60 °C |
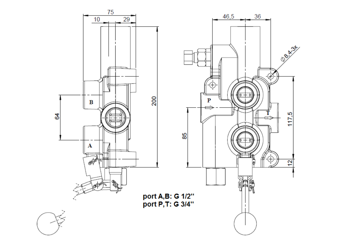
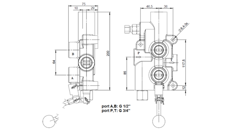
| Forbindelsestråd: | P og T port – 3/4", A og B port – 1/2" |
| Maks. tryk: | P port – 250 bar, T port - 50 bar, A og B port – 300 bar |
| Sikkerheds-udløsningsventil: | fabriksindstillet til 150 bar |
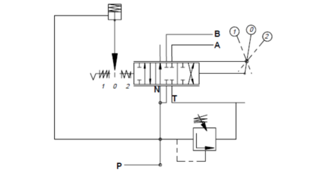
Beskrivelse
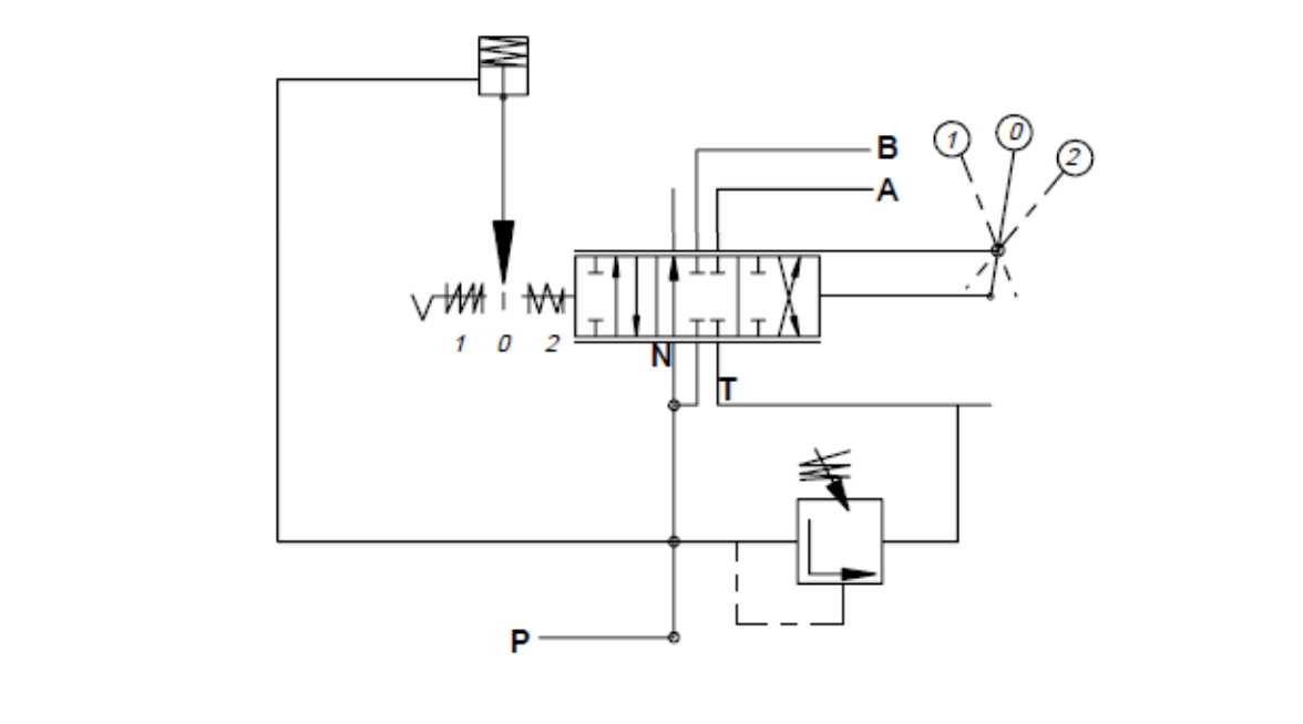
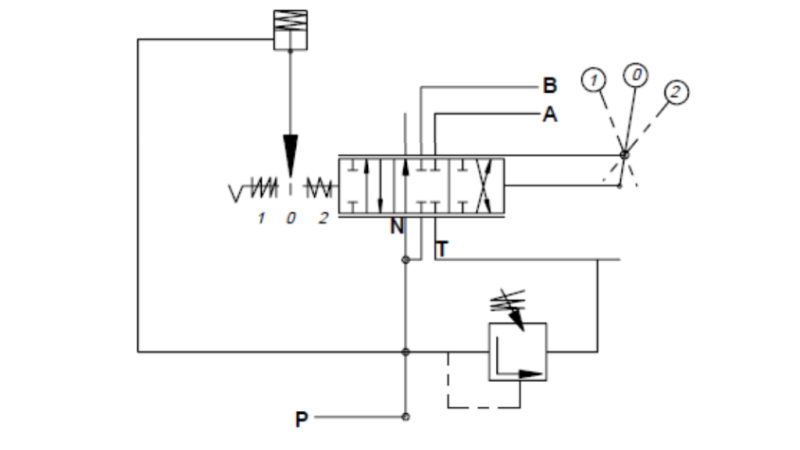
P81 hydraulikventilen er designet til brug på brændekløvere. Den har en fjederretur-funktion i én retning og et trykutløsningssystem i den modsatte retning, som automatisk returnerer håndtaget til neutral position. P81 ventilen inkluderer også en manuelt justerbar sikkerhedsudløsningsventil.
Trykutløsningsstift
Trykutløsningssystemet gør det muligt at slippe håndtaget, som så vender tilbage til neutral position. Når spolen manuelt flyttes til trykutløsningspositionen, ledes olien til "B"-sektionen. Når trykket i "B"-sektionen overstiger den indstillede værdi, frigør trykutløsningsstiften styrehåndtaget og returnerer det til neutral position. Fabriksindstillingen for udløsningsfunktionen er 70 bar.
ADVARSEL: Hvis trykutløsningsstiften er indstillet til for højt tryk, vil håndtaget ikke vende tilbage til neutral position. Hvis trykket er indstillet for lavt, vil trykutløsningsstiften ikke holde håndtaget i den position, der er klar til udløsning.
Justerbar trykudløsningsventil – standard fabriksindstilling for trykudløsningsventilen er 150 bar.
Ventilhåndtaget kan orienteres enten "op" eller "ned" afhængigt af maskinens monteringsposition. Dette gøres nemt ved at dreje håndtaget 180°. Alle stifter er sikkert låst med DIN 94 splitbolte.












