Nye produkter
HYDRAULISK DISTRIBUTIONSVENTIL FLOW V1026 DFL 40-60 LIT - 3/8 - 250 BAR (MAX.300 BAR) METAL
Produktkode:
13691
OEM:
9990000102259
Moms sats
22 %
Pris uden moms:
673,78 DKK
Pris med moms:
822,01 DKK
Ref:
11
Beskrivelse:
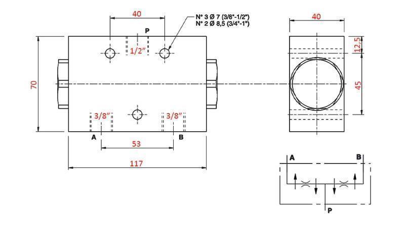
Den hydrauliske distributionsventil flow bruges, når to identiske aktuatorer (som ikke er mekanisk forbundet og drives af den samme pumpe og styres af én ventil) skal bevæge sig samtidigt (udvidelse, bredning, afvikling, kompression, løft ...).
Tilslut P til tryk, A og B til aktuatorerne.
Leverandør:
Italien
maks. arbejdstryk:
250 bar
Returnering eller ombytning:
14 dage
Produktvægt:
1.95 kg
Garanti:
6 måneder
Gevind:
P = 1/2" A,B = 3/8"
ventilflow:
40 - 60 liter
max. tryk:
300 bar



%20KOVINSKI.jpg)
%20KOVINSKI.jpg)
%20KOVINSKI.jpg)


