Nye produkter
HYDRAULISK GEARKRAFT FORDELER 4/1 (4.5-9.5LIT - MAX.240BAR) 2.1CC/SEG
Produktkode:
13308
OEM:
9990000092994
Moms sats
22 %
Pris uden moms:
3.099,54 DKK
Pris med moms:
3.781,44 DKK
Ref:
1
Beskrivelse:
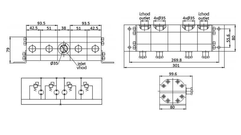
Den hydrauliske gearflow fordele bruges som en flowudligner. De er sammenkoblede segmenter, der deler indstrømningen i lige eller proportionale dele af flowet, hvilket muliggør synkron bevægelse af flere drev uanset belastningen (landbrugsmaskiner, løfteplatforme ...). Den kan bruges som en forstærker til at øge arbejdstrykket i systemer. Tilgængelig fordele med to eller fire udgange.
HVORDAN MAN VÆLGER EN FORDELER:del pumpens flow med udgangene fra fordelingen for at få flowet for hvert segment.
Leverandør:
Spanien
Returnering eller ombytning:
14 dage
Produktvægt:
3.85 kg
Garanti:
6 måneder
Gevind:
indgang: 1/2" udgang: 3/8"
min. flow rate:
4,5 l/min
cm3/segment:
2.1cc
antal output-segmenter:
4
Max. flow:
9.5 l/min
max. tryk:
240 bar








