Nye produkter
HYDRAULISK POWER-PACK -RHA- 25lit TIL STALDTRANSPORTER
Produktkode:
20576
OEM:
9990000048670
Moms sats
22 %
Pris uden moms:
5.053,46 DKK
Pris med moms:
6.165,22 DKK
Ref:
15
Beskrivelse:
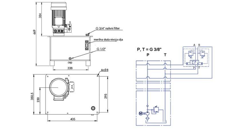
Den hydrauliske power-pack til stalddumperen er en selvstændig enhed, der genererer hydraulisk tryk ved hjælp af en elektrisk motor til at drive stalddumperen.
Motoreffekt:
4kW
pumpeflow:
8 cc
aggregat flow:
12 liter/min
Tankvolumen:
25 liter
maks. arbejdstryk:
120 bar
ventil:
RHA - kort ventil
Returnering eller ombytning:
ikke muligt
Omdrejninger:
1500 omdr./min
Spænding:
380V






