Nye produkter
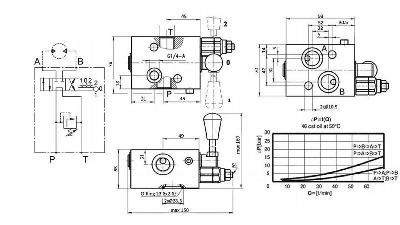
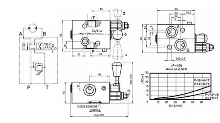
MANUEL VENTIL TIL HYDRAULISK MOTOR MS LUKKET CENTER - 50LIT
Beskrivelse:
Den manuelle ventil er monteret direkte på den hydrauliske motor og tjener til at styre den direkte på den hydrauliske motor.
Ventilgrebet giver mulighed for at tænde og slukke samt ændre rotationsretningen af den hydrauliske motor.
Ventil 'ÅBEN CENTER'- I neutralpositionen roterer den hydrauliske motor ikke. Den er ikke hydraulisk drevet, men akslen på den hydrauliske motor kan rotere med sin egen inerti eller inerti af lasten.
Den bruges oftest i applikationer, hvor vi ønsker, at drivkraften stopper med lasten inerti eller har mulighed for selvrotation af drivkraften - hydraulisk motor.
Ventil 'LUKKET CENTER'- I neutralpositionen roterer den hydrauliske motor, hvilket betyder, at lasten inerti heller ikke kan rotere den.
Den bruges oftest i applikationer, hvor vi ønsker, at drivkraften stopper straks og forbliver stationær, efter at drivkraften - hydraulisk motor er slukket.






