Nye produkter
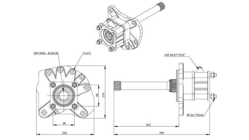
UDGANG FOR HYDRAULIKPUMPE - MERCEDES G155 - 1 ACTROS
Beskrivelse:
Udgange er velegnede til erhvervskøretøjer, hvor der er behov for at installere en hydraulikpumpe. Installation af en støbejernspumpe type er mulig:
ISO (pumpe til montering med tre (3) skruer)
UNI (pumpe til montering med fire (4) skruer)
Velegnet til gear typer:
G125-9, G135, G155-9, G180, G200, G211-9, G240, G255, G260 (11.9-15.9-16.2)
G125-16, G135-16, G155-16, G180-16, G200-16, G210-16, G240-16, G255
Velegnet til køretøjer: Mercedes
1729 - 1735 - 1827 - 1834 - 1838 - 1929 - 1935 - 2038 - 2429 - 2435 - 2527 - 2531 - 2534 - 2629 - 2631 - 2635 - 2638 - 3229 - 3234 - 3534 - 3535 - 1831 - 1835 - 1840 - 1844 - 1848 - 1850 - 1857 - 1934 - 1938 - 1953 - 2044 - 2050 - 2544 - 2550 - 2650 - 2643 - 2644 - 3031 - 3234 - 3331 - 3335 - 3336 -3340 - 3235 - 2031 - 2040 - 2648 - 3548 - 3553 - 3557 - 3538 - 2641 - 3244 ACTROS






