Nye produkter
VINKELGEARKASSE LF-205J 1:1.92 (30HP-22KW)
Produktkode:
11401
OEM:
9990000019540
Moms sats
22 %
Pris uden moms:
1.169,77 DKK
Pris med moms:
1.427,11 DKK
Ref:
62
Returnering eller ombytning:
14 dage
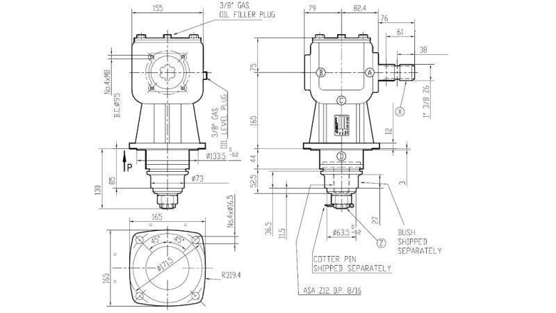
rotation af reduceren:
højre
producentkode:
9.205.805.00
Load:
30 HP (22.0 kW)
udgangs aksel:
flange til svejsning af skiven
type af reducer:
LF-205J (vinkeldrev)
smøremiddel:
olie SAE 90 0,8 liter skal tilsættes reduceren.
indgangsakslen:
cardan (1”3/8 – 6 tænder)


.jpg)
.jpg)
.jpg)


