Nye produkter
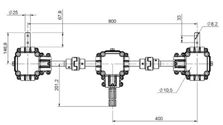
SÆT AF GEARKASSER 1:1.44 (27HK-20KW) TIL SPREADER L:800 GJERNING MED SIKKERHEDSSYSTEM
Produktkode:
13925
OEM:
9990000153312
Moms sats
22 %
Pris uden moms:
2.744,11 DKK
Pris med moms:
3.347,81 DKK
Ref:
6
Beskrivelse:
Sæt af gummikasser i støbejern til en spreder med en længde på 800 mm med et sikkerhedselement.
Leverandør:
Polen
Returnering eller ombytning:
14 dage
Produktvægt:
17 kg
Input RPM:
540 omdr./min
Output RPM:
777 rpm
Garanti:
6 måneder
Load:
27 HK (20 kW)
udgangs aksel:
2x aksel 25mm
transmissionsforhold:
1 : 1,44
Materiale:
gussejern
smøremiddel:
0,75 l smøremiddel til gearkasser (EP90)
Udbudsmoment:
240 Nm








